泊頭市91免费在线视频泵業有限公司

91免费版网站找91免费在线视频泵業谘詢電話:13931762407
熱門點擊:
   
公司動態 news
  KCB91免费版网站結構特點
KCB91免费版网站有齒輪,軸,泵體,安全閥,軸端密封(特殊要求,可選用磁力驅動,零泄漏結構)等組成.齒輪經熱處理有較高的硬度和強度,與軸一同安裝在可更換的軸套內運轉.泵內全部零件的潤滑均在泵.....
油泵產品列表  
91免费版网站
91免费视频下载APP
91免费版黄色
保溫瀝青泵
單螺杆泵
雙螺杆泵
三螺杆泵
自吸式離心泵
渣漿泵
高粘度泵
化工泵
船用泵
磁力泵
渣油泵係列
 
 
產品中心 當前位置 > 91免费在线视频泵業 > 產品展示 > 91免费版网站 >
 
  • 2CY不鏽鋼泵
  • -詳細參數

2CY不鏽鋼91免费版网站轉不動的原因:

2CY不鏽鋼91免费版网站輸送的物料有大的雜質把齒輪卡死;91免费版网站間隙太小轉動的時候溫度過高,把91免费版网站的齒輪與齒輪爆死;91免费版网站的軸與軸承套爆死。
排除辦法:拆開管路,把異物拿出;用工具慢慢盤車(轉動)正反轉動,把泵一端的螺栓輕輕鬆動,根據轉動聯軸器的鬆緊程度調節91免费版网站的端蓋螺杆的鬆緊度。
不鏽鋼91免费版网站旋轉不靈活的原因及解決辦法:
1、工作油輸出口被堵塞。清除異物。
2、不鏽鋼泵泵內有汙物。解體以清除異物。
3、裝配有誤。91免费版网站兩銷孔的加工基準麵並非裝配基準麵,如先將銷子打入,再擰緊螺釘,泵會轉不動。正確的方法是,邊轉動91免费版网站邊擰緊螺釘,然後配鑽銷孔並打入銷子。
4、91免费版网站與發動機聯軸器的同軸度差。同軸度應在0.1mm以內。
5、泵內零件未退磁。裝配前所有零件均須退磁。
6、軸向間隙或徑向間隙太小。重新加以調整修配。

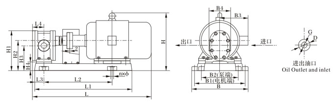
2CY型泵外型、安裝尺寸

2CY型泵外型、安裝尺寸

型號

LL1L2L3B1B2B3HH1H2GφD4-φd
2CY-1.08/2.5193.54575138.51141389513267.587G3/4"1810
2CY-2.1/2.5198.54878142.5124154110164.586112G1"1810
2CY-3/2.5198.54878142.5124154110164.586112G1"1810
2CY-4.2/2.52205888155160190140205107.5140G11/4"2812
2CY-7.5/2.52396598164.5160190140205107.5140G11/2"2812
2CY-12/2.5360106136257190220210256136178G2"3214


2CY-1.08~2CY-12/12.5整機外型、安裝尺寸重量

2CY-1.08~2CY-12/12.5整機外型、安裝尺寸重量


型號LL1L2L3L4HH1H2H3H4BB1B2B3B4GDn×φ

重量
Weight(kg)

2CY-1.08/2.558248633947.555290190145125.55829325719018095G3/4"φ364×φ1856
2CY-2.1/2.5586493344495630221015713145293257206180110G1"φ504×φ1863.5
2CY-3/2.5605499349495631021015713145333297206190110G1"φ504×φ1877.5
2CY-4.2/2.57205854205465373255190157.550368332242210140G11/4"φ704×φ18121
2CY-7.5/2.57806374486075378260195162.555368332242210140G11/2"φ704×φ18136
2CY-12/2.510208626167810346832124320165416380272255210G2"φ954×φ18173


2CY型91免费版网站性能參數


型號
流量
Q
轉速
n
r/min
排出壓力
p
Mpa
必需汽
蝕餘量
)r
m
效率
η
%
電動機
m3/h
L/min

功率KW

型號
2CY-1.08/2.5
1.08
18
1420
2.5
9.5
58
2.2
Y100L1-4
2CY-2.1/2.5
2.1
35
1420
2.5
9.5
58
3
Y100L2-4
2CY-3/2.5
3
50
1440
2.5
9.5
59
4
Y112M-4
2CY-4.2/2.5
4.2
70
1440
2.5
9.5
59
5.5
Y132S-4
2CY-7.5/2.5
7.5
125
1440
2.5
9.5
63
7.5
Y132M-4
2CY-12/2.5
12
200
1460
2.5
9.5
63
15
Y160L-4


 相關新聞
 相關產品

泊頭市91免费在线视频泵業製造有限公司  手機:13931762407 電話:0317-8285333 傳真:0317-8356252 聯係人:吳經理 
郵箱:chinayoubeng@163.com 地址:河北省泊頭市
網址:www.yizhiwei.com Copyright 泊頭市91免费在线视频泵業製造有限公司 all Rights Reserved .冀ICP備43103425號-1
網站地圖